Y-H系列船用三相异步电动机
YY-H系列船用单相异步电动机
Y-H系列船用小型三相异步电动机
YT2-H系列船用轴流风机用三相异步电动机
YYT2-H系列船用轴流风机用单相异步电动机
YBX3-H 系列船用高效率隔爆型三相异步电动机
YBTX-H 系列船用风机用隔爆型三相异步电动机
YD-H系列船用多速三相异步电动机
YT2 系列轴流风机用三相异步电动机
YVF2-H系列船用变频调速三相异步电动机
JZ2-H系列船用起重用本相异步电动机
YZ- H系列船用起重用三相异步电动机德州德力电机有限公司
公司地址:山东省德州市开发区东方红路与崇德五大道交汇以南
公司电话:0534-2668511
业务联系:张经理
联系电话:13011762813
公司邮箱:dzdelidj@163.com
| 型号 | 功率 | 额定电流(A) | 额定转速(r/min) | 工作制 | 直流制动器 |
重量 (kg) |
||||
| 380V 50Hz | 440V 60Hz | 380V 50Hz | 440V 60Hz |
制动力 矩 (N·m) |
吸上电压/吸上电流 (V/A) |
维持电压/维 持电流 (V/A) |
||||
| JZ2-11-4-H | 1.5 | 4.3 | 3.7 | 1400 | 1680 | S3-25% | 24.8 | 128/1.19 | 128/1.19 | 66 |
| JZ2-12-4-H | 2.2 | 6 | 5.2 | 86 | ||||||
| JZ2-13-4-H | 3.5 | 8.9 | 7.7 | 77 | ||||||
| JZ2-21-4-H | 5 | 12 | 10.4 | 54.8 | 128/1.78 | 128/1.78 | 110 | |||
| JZ2-21-6-H | 3.5 | 10 | 8.7 | 900 | 1080 | 110 | ||||
| JZ2-22-6-H | 5 | 13.3 | 11.5 | 122 | ||||||
| JZ2-31-6-H | 7.5 | 19.2 | 16.6 | 119.6 | 128/2.05 | 128/2.05 | 174 | |||
| JZ2-32-6-H | 11 | 26.8 | 23.2 | 195 | ||||||
| JZ2-41-6-H | 16 | 35 | 30.3 | 232.8 | 110/9 | 30/2.45 | 365 | |||
| JZ2-41-8-H | 11 | 28.9 | 25 | 695 | 830 | 340 | ||||
| JZ2-22-4/12-H | 3/1.2 | 6.8/7.12 | 5.9/6.15 | 1350/410 | 1620/490 | S2-30/10min | 40 | 110/1.6 | 30/0.85 | 112 |
| JZ2-23-4/12-H | 4.3/1.7 | 9.5/10.1 | 8.2/8.73 | 149 | ||||||
| JZ2-32-4/12-H | 6/2.5 | 12.9/11.3 | 11.2/9.76 | 1350/390 | 1620/465 | 119.6 | 110/4.5 | 30/1.23 | 177 | |
| JZ2-33-4/12-H | 8.5/3.5 | 17.9/14.8 | 15.5/12.8 | 1350/390 | 227 | |||||
| JZ2-33-4/16-H | 8.5/2.4 | 19.2/11.6 | 16.6/10.1 | 1370/310 | 1620/370 | S2-30/15min | 230 | |||
| JZ2-41-4/16-H | 12/3.5 | 25/18.2 | 21.6/15.7 | 1370/320 | 1640/380 | 232.8 | 110/9 | 30/2.45 | 345 | |
| JZ2-42-4/16-H | 18/5 | 37/23.8 | 32/20.6 | 407 | ||||||
| JZ2-41-4/8/16-H | 7.5/7.5/5 | 16.8/17.8/26 | 14.5/15.4/22.5 | 1400/665/300 | 1680/798/360 | S2-10/30/5min | 365 | |||
| JZ2-42-4/8/16-H | 11/11/7.5 | 23/25.5/36 | 19.9/22.1/31.1 | 415 | ||||||
| JZ2-51-4/8/16-H | 16/16/11 | 33/35.2/49 | 28.5/30.4/42.3 | 510.6 | 30/2.46 | 505 | ||||
| JZ2-52-4/8/16-H | 22/22/16 | 43.7/47.8/71 | 37.8/41.3/61.3 | 575 | ||||||
| JZ2-61-4/8/16-H | 30/30/22 | 60.5/69.5/96 | 52.3/60.1/83 | 1420/670/300 | 1700/800/360 | 676 | 110/10.47 | 30/2.86 | 850 | |
| JZ2-71-4/8/16-H | 45/45/30 | 88.5/100/142 | 76.5/86.4/122.7 | 1420/680/320 | 1700/810/380 | 889 | 110/18.25 | 30/4.98 | 1210 | |
| JZ2-72-4/8/16-H | 60/60/45 | 114/135/195 | 98.5/116.6/168.5 | 1420/720/330 | 1700/860/390 | 1350 | 1560 | |||
| JZ2-81-4/8/16-H | 85/85/64 | 160/169/337 | 138.2/168.4/291 | 1450/720/355 | 1740/870/430 | 3000 | 110/4.1 | 110/4.1 | 2800 | |
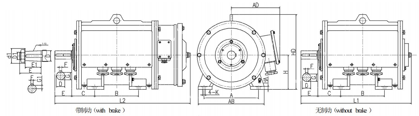
| 机座号 | 型号 | 外形及安装尺寸 | ||||||||||||||||||
| A | B | C | D | E | F | G | 圆锥形轴伸 | H | K | AB | AD | HA | HD | L1 | L2 | |||||
| D1 | G1 | E1 | d1 | |||||||||||||||||
| JZ2-H 1# | JZ2-11、12-4-H | 190 | 140 | 85 | 28 | 60 | 8 | 24 | – | – | – | – | 112 | 14 | 220 | 190 | 12 | 275 | 410 | 485 |
| JZ2-13-4-H | 170 | 440 | 515 | |||||||||||||||||
| JZ2-H 2# | JZ2-21-4、6-H | 220 | 150 | 90 | 32 | 80 | 10 | 27 | 125 | 260 | 230 | 15 | 295 | 410 | 530 | |||||
| JZ2-22-6、4/12-H | 200 | 460 | 590 | |||||||||||||||||
| JZ2-23-4/12-H | 270 | 530 | 660 | |||||||||||||||||
| JZ2-H 3# | JZ2-31-6-H | 250 | 200 | 100 | 42 | 110 | 12 | 37 | 150 | 18 | 300 | 235 | 20 | 345 | 560 | 650 | ||||
| JZ2-32-6、4/12-H | 280 | 640 | 730 | |||||||||||||||||
| JZ2-33-4/12、4/16-H | 380 | 740 | 830 | |||||||||||||||||
| JZ2-H 4# | JZ2-41-6、8、4/16、4/8/16-H | 320 | 305 | 120 | 50 | 16 | 43.5 | 200 | 26 | 380 | 295 | 470 | 700 | 820 | ||||||
| JZ2-42-4/16、4/8/16-H | 380 | 770 | 895 | |||||||||||||||||
| JZ2-H 5# | JZ2-51-4/8/16-H | 360 | 360 | 140 | 60 | 140 | 18 | 52.9 | 225 | 430 | 325 | 510 | 840 | 990 | ||||||
| JZ2-52-4/8/16-H | 460 | 940 | 1090 | |||||||||||||||||
| JZ2-H 6# | JZ2-61-4/8/16-H | 420 | 440 | 160 | 70 | 20 | 62.5 | M48×2 | 26 | 105 | 90 | 250 | 32 | 510 | 380 | 23 | 575 | 950 | 1130 | |
| JZ2-H 7# | JZ2-71-4/8/16-H | 480 | 510 | 190 | 90 | 170 | 25 | 81 | M60×3 | 35 | 130 | 110 | 280 | 560 | 410 | 600 | 1060 | 1255 | ||
| JZ2-72-4/8/16-H | 660 | 1200 | 1535 | |||||||||||||||||
| JZ2-H 8# | JZ2-81-4/8/16-H | 508 | 508 | 216 | – | – | – | – | 315 | 30 | 628 | 485 | 20 | 750 | 1150 | 1380 | ||||
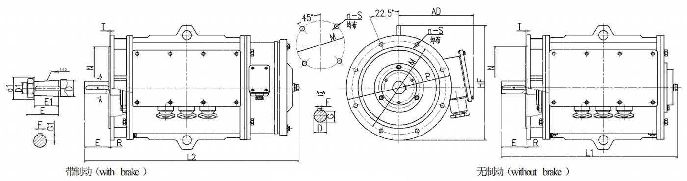
| 机座号 | 型号 | 外形及安装尺寸 | ||||||||||||||||||
| D | E | F | G | 圆锥形轴伸 | M | N | P | R | S | n | T | AD | HF | L1 | L2 | |||||
| D1 | G1 | E1 | d1 | |||||||||||||||||
| JZ2-H 1# | JZ2-11、12-4-H | 28 | 60 | 8 | 24 | - | - | - | - | 265 | 230 | 300 | 0±2 | 15 | 4 | 4 | 190 | 340 | 410 | 485 |
| JZ2-13-4-H | 440 | 515 | ||||||||||||||||||
| JZ2-H 2# | JZ2-21-4、6-H | 32 | 80 | 10 | 27 | 230 | 345 | 410 | 530 | |||||||||||
| JZ2-22-6、4/12-H | 460 | 590 | ||||||||||||||||||
| JZ2-23-4/12-H | 530 | 660 | ||||||||||||||||||
| JZ2-H 3# | JZ2-31-6-H | 42 | 110 | 12 | 37 | 300 | 250 | 350 | 0±3 | 19 | 5 | 235 | 410 | 560 | 650 | |||||
| JZ2-32-6、4/12-H | 640 | 730 | ||||||||||||||||||
| JZ2-33-4/12、4/16-H | 740 | 830 | ||||||||||||||||||
| JZ2-H 4# | JZ2-41-6、8、4/16、4/8/16-H | 50 | 16 | 43.5 | 400 | 350 | 450 | 0±4 | 8 | 360 | 730 | 700 | 820 | |||||||
| JZ2-42-4/16、4/8/16-H | 770 | 895 | ||||||||||||||||||
| JZ2-H 5# | JZ2-51-4/8/16-H | 60 | 140 | 18 | 52.9 | 500 | 450 | 550 | 370 | 780 | 840 | 990 | ||||||||
| JZ2-52-4/8/16-H | 940 | 1090 | ||||||||||||||||||
| JZ2-H 6# | JZ2-61-4/8/16-H | 70 | 20 | 62.5 | M48×2 | 26 | 105 | 90 | 430 | 850 | 950 | 1130 | ||||||||
| JZ2-H 7# | JZ2-71-4/8/16-H | 90 | 170 | 25 | 81 | M60×3 | 35 | 130 | 110 | 600 | 550 | 660 | 24 | 6 | 480 | 980 | 1090 | 1530 | ||
| JZ2-72-4/8/16-H | ||||||||||||||||||||