Y-H系列船用三相异步电动机
YY-H系列船用单相异步电动机
Y-H系列船用小型三相异步电动机
YT2-H系列船用轴流风机用三相异步电动机
YYT2-H系列船用轴流风机用单相异步电动机
YBX3-H 系列船用高效率隔爆型三相异步电动机
YBTX-H 系列船用风机用隔爆型三相异步电动机
YD-H系列船用多速三相异步电动机
YT2 系列轴流风机用三相异步电动机
YVF2-H系列船用变频调速三相异步电动机
JZ2-H系列船用起重用本相异步电动机
YZ- H系列船用起重用三相异步电动机德州德力电机有限公司
公司地址:山东省德州市开发区东方红路与崇德五大道交汇以南
公司电话:0534-2668511
业务联系:张经理
联系电话:13011762813
公司邮箱:dzdelidj@163.com
| 型号 | 功率kW | 电流A | 转速 r/min | 型号 | 功率kW | 电流 A | 转速r/min | ||||
| 380V 50Hz | 440V 60Hz | 380V 50Hz | 440V 60Hz | 380V 50Hz | 440V 60Hz | 380V 50Hz | 440V 60Hz | ||||
| YT2-631-2-H | 0.18 | 0.52 | 0.45 | 2720 | 3300 | YT2-200L-4-H | 30 | 57.3 | 49.8 | 1476 | 1779 |
| YT2-632-2-H | 0.25 | 0.69 | 0.6 | 2720 | 3300 | YT2-225S-4-H | 37 | 70.2 | 60.3 | 1480 | 1783 |
| YT2-711-2-H | 0.37 | 0.99 | 0.87 | 2760 | 3380 | YT2-225M-4-H | 45 | 84 | 73.4 | 1480 | 1783 |
| YT2-712-2-H | 0.55 | 1.38 | 1.2 | 2760 | 3380 | YT2-250M-4-H | 55 | 103.8 | 88.7 | 1480 | 1780 |
| YT2-80M1-2-H | 0.75 | 1.8 | 1.6 | 2820 | 3460 | YT2-280S-4-H | 75 | 139.2 | 120 | 1480 | 1790 |
| YT2-80M2-2-H | 1.1 | 2.6 | 2.2 | 2820 | 3460 | YT2-280M-4-H | 90 | 164.3 | 141.9 | 1480 | 1790 |
| YT2-90S-2-H | 1.5 | 3.5 | 3.1 | 2840 | 3470 | YT2-711-6-H | 0.18 | 0.74 | 0.64 | 880 | 1090 |
| YT2-90L-2-H | 2.2 | 4.9 | 4.3 | 2840 | 3470 | YT2-712-6-H | 0.25 | 0.95 | 0.82 | 880 | 1090 |
| YT2-100L-2-H | 3 | 6.4 | 5.4 | 2880 | 3490 | YT2-80M1-6-H | 0.37 | 1.31 | 1.13 | 890 | 1110 |
| YT2-112M-2-H | 4 | 8.2 | 7.2 | 2890 | 3500 | YT2-80M2-6-H | 0.55 | 1.7 | 1.47 | 890 | 1110 |
| YT2-132S1-2-H | 5.5 | 11 | 9.6 | 2900 | 3520 | YT2-90S-6-H | 0.75 | 2.2 | 2 | 910 | 1130 |
| YT2-132S2-2-H | 7.5 | 14.6 | 12.9 | 2900 | 3520 | YT2-90L-6-H | 1.1 | 3.2 | 2.9 | 910 | 1130 |
| YT2-160M1-2-H | 11 | 21.6 | 18.7 | 2930 | 3540 | YT2-100L-6-H | 1.5 | 4 | 3.5 | 940 | 1150 |
| YT2-160M2-2-H | 15 | 28.9 | 25.1 | 2930 | 3540 | YT2-112M-6-H | 2.2 | 5.8 | 5.2 | 940 | 1150 |
| YT2-160L-2-H | 18.5 | 35.7 | 30.3 | 2930 | 3540 | YT2-132S-6-H | 3 | 7.2 | 6.4 | 960 | 1170 |
| YT2-180M-2-H | 22 | 42.2 | 36.9 | 2940 | 3550 | YT2-132M1-6-H | 4 | 9.5 | 8.2 | 960 | 1170 |
| YT2-200L1-2-H | 30 | 57.9 | 50.3 | 2955 | 3565 | YT2-132M2-6-H | 5.5 | 12.5 | 10.7 | 960 | 1170 |
| YT2-200L2-2-H | 37 | 69.4 | 60.3 | 2960 | 3565 | YT2-160M-6-H | 7.5 | 17.1 | 14.8 | 970 | 1170 |
| YT2-225M-2-H | 45 | 85.9 | 76.3 | 2969 | 3572 | YT2-160L-6-H | 11 | 25 | 21.7 | 970 | 1170 |
| YT2-250M-2-H | 55 | 103.2 | 91.7 | 2970 | 3570 | YT2-180L-6-H | 15 | 33 | 29.3 | 970 | 1180 |
| YT2-280S-2-H | 75 | 139.2 | 120.9 | 2970 | 3580 | YT2-200L1-6-H | 18.5 | 37.6 | 32.7 | 980 | 1183 |
| YT2-280M-2-H | 90 | 167.1 | 143.5 | 2970 | 3580 | YT2-200L2-6-H | 22 | 44.7 | 38.9 | 980 | 1182 |
| YT2-631-4-H | 0.12 | 0.44 | 0.38 | 1340 | 1650 | YT2-225M-6-H | 30 | 61.1 | 53.1 | 985 | 1187 |
| YT2-632-4-H | 0.18 | 0.62 | 0.54 | 1340 | 1650 | YT2-250M-6-H | 37 | 71.0 | 61.3 | 980 | 1180 |
| YT2-711-4-H | 0.25 | 0.78 | 0.67 | 1350 | 1660 | YT2-280S-6-H | 45 | 86.4 | 74.6 | 980 | 1190 |
| YT2-712-4-H | 0.37 | 1.12 | 0.97 | 1350 | 1660 | YT2-280M-6-H | 55 | 103.2 | 89.7 | 980 | 1190 |
| YT2-801-4-H | 0.55 | 1.5 | 1.4 | 1390 | 1710 | YT2-132S-8-H | 2.2 | 5.8 | 5.2 | 710 | 860 |
| YT2-802-4-H | 0.75 | 2.1 | 1.8 | 1390 | 1710 | YT2-132M-8-H | 3 | 7.6 | 6.8 | 710 | 860 |
| YT2-90S-4-H | 1.1 | 2.7 | 2.4 | 1400 | 1710 | YT2-160M1-8-H | 4 | 10.5 | 9.1 | 720 | 870 |
| YT2-90L-4-H | 1.5 | 3.6 | 3.2 | 1400 | 1710 | YT2-160M2-8-H | 5.5 | 13.4 | 11.5 | 720 | 870 |
| YT2-100L1-4-H | 2.2 | 5 | 4.5 | 1420 | 1730 | YT2-160L-8-H | 7.5 | 17.7 | 15.5 | 720 | 870 |
| YT2-100L2-4-H | 3 | 6.8 | 5.9 | 1420 | 1730 | YT2-180L-8-H | 11 | 25.6 | 22.2 | 730 | 880 |
| YT2-112M-4-H | 4 | 8.9 | 7.7 | 1440 | 1750 | YT2-200L-8-H | 15 | 33.3 | 29.2 | 729 | 882 |
| YT2-132S-4-H | 5.5 | 11.7 | 10 | 1440 | 1750 | YT2-225S-8-H | 18.5 | 40.3 | 35.6 | 735 | 886 |
| YT2-132M-4-H | 7.5 | 15.4 | 13.2 | 1440 | 1750 | YT2-225M-8-H | 22 | 47.4 | 41.7 | 734 | 886 |
| YT2-160M-4-H | 11 | 22.6 | 19.5 | 1460 | 1760 | YT2-250M-8-H | 30 | 64.7 | 57.1 | 730 | 890 |
| YT2-160L-4-H | 15 | 30.5 | 26.3 | 1460 | 1760 | YT2-280S-8-H | 37 | 79.8 | 68.9 | 740 | 890 |
| YT2-180M-4-H | 18.5 | 35.9 | 30.8 | 1470 | 1770 | YT2-280M-8-H | 45 | 94.8 | 80.8 | 740 | 890 |
| YT2-180L-4-H | 22 | 42.2 | 36.9 | 1470 | 1770 | ||||||
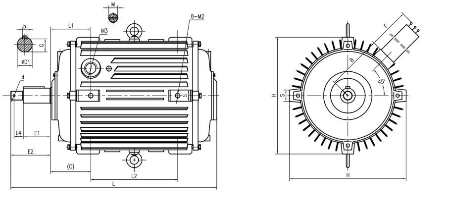
| 尺寸 机座号 |
D1 | b | G | E1 | E2 | L | C | L1 | L2 | F | L4 | B | M | H | d | M3 | 8-M2 | S |
| 63 | 14 | 5 | 11 | 30 | 46 | 200 | 40 | 40 | 80 | 200 | 10 | 66 | M8 | 140 | 2.7 | G 3 4 | M8深12 | 24 |
| 71 | 220 | 45 | 45 | 90 | 200 | 73 | 155 | M8深14 | 24 | |||||||||
| 80M | 19 | 6 | 15.5 | 40 | 62 | 270 | 50 | 50 | 100 | 240 | 16 | 82 | M12 | 175 | 3.2 | M8深20 | 24 | |
| 90S | 24 | 8 | 20 | 50 | 78 | 295 | 56 | 56 | 100 | 240 | 20 | 90 | M16 | 190 | 4.2 | M10深20 | 28 | |
| 90L | 24 | 8 | 20 | 50 | 78 | 330 | 56 | 56 | 135 | 300 | 20 | 90 | M16 | 190 | 4.2 | M12深20 | 28 | |
| 100L | 28 | 8 | 24 | 60 | 92 | 365 | 55.5 | 55.5 | 155 | 340 | 24 | 102 | M20 | 215 | 4.2 | M12深20 | 32 | |
| 112M | 28 | 8 | 24 | 60 | 92 | 375 | 60 | 60 | 160 | 330 | 24 | 122 | M20 | 255 | 4.2 | M12深20 | 34 | |
| 132S | 38 | 10 | 33 | 80 | 119 | 450 | 68 | 68 | 182 | 400 | 31 | 140 | M30 | 290 | 6.2 | G1 | M16深20 | 45 |
| 132M | 38 | 10 | 33 | 80 | 119 | 490 | 68 | 68 | 220 | 450 | 31 | 140 | M30 | 290 | 6.2 | M16深20 | 45 | |
| 160M | 42 | 12 | 37 | 110 | 150 | 575 | 108 | 108 | 210 | 475 | 31 | 164 | M30 | 340 | 6.2 | M16深24 | 45 | |
| 160L | 42 | 12 | 37 | 110 | 150 | 620 | 108 | 108 | 254 | 630 | 31 | 164 | M30 | 340 | 6.2 | M16深24 | 45 | |
| 180M | 48 | 14 | 42.5 | 110 | 150 | 660 | 121 | 121 | 270 | 650 | 31 | 180 | M30 | 380 | 6.2 | M16深20 | 45 | |
| 180L | 48 | 14 | 42.5 | 110 | 150 | 700 | 121 | 121 | 310 | 650 | 31 | 180 | M30 | 380 | 6.2 | M16深20 | 45 | |
| 200L | 55 | 16 | 49 | 110 | 160 | 780 | 133 | 133 | 340 | 650 | 36 | 200 | M36 | 420 | 6.2 | G1 1 4 | M16深20 | 40 |
| 225S | 60 | 18 | 53 | 110 | 160 | 850 | 162 | 162 | 350 | 800 | 36 | 225 | M36 | 470 | 6.2 | M20深20 | 45 | |
| 225M | 60 | 18 | 53 | 110 | 160 | 850 | 162 | 162 | 350 | 800 | 36 | 225 | M36 | 470 | 6.2 | M20深20 | 45 | |
| 250M | 65 | 18 | 58 | 140 | 180 | 865 | 172.5 | 180 | 340 | 800 | — | 239 | M42 | 476 | — | G2 1 4 | M16深24 | 50 |
| 280S | 75 | 20 | 67.5 | 140 | 180 | 930 | 162 | 173 | 424 | 800 | — | 267 | M52 | 540 | — | M16深26 | 46 | |
| 280M | 75 | 20 | 67.5 | 140 | 180 | 980 | 162 | 173 | 475 | 800 | — | 267 | M52 | 540 | — | M16深26 | 46 |